TPE ÉLEctronique

 

nous avons ensuite fait le câblage du contrôle boy avec un moteur pour le premier test.

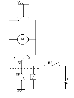
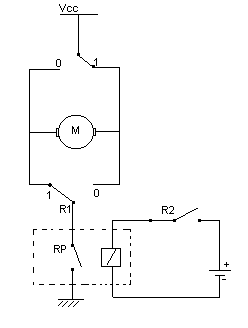
Voila le schéma du câblage:

Schéma N°1 de cablage du Contrôle Boy pour 1 moteur

Voici le schéma structurel du  fonctionnement des relais de puissance:

Le schéma 1 représente le montage qui permet de faire tourner le moteur dans un sens et le schéma 2 représente le schéma qui fait tourner le moteur dans l'autre sens. Pour faire tourner le moteur dans un sens (schéma 1) commute R0 sur 0 et R1 sur 0 ( 1 et 0 représentent les bornes des relais ). Il faut ensuite commuter RP grâce au contrôle boy(en programment celui-ci on commute R2, qui commute le relais de puissance Rp) le courant circule alors et le moteur peut tourner dans un sens selon les connexions des relais R1 et R2.

Page précédente Page suivante