DOSSIER TECHNIQUE DU FAAC

 


Le dossier technique est disponible sous divers formats :

Le dossier technique complet du FAAC. (Format PDF)
(Format PDF 970ko. Réalisation : Vimbouly Joel et Hoareau Bertrand) .

Le dossier technique FAAC . format Word 97 (3,5 Mo)

 

Dernière mise à jour 19/02/2000
Contact : H. Bertrand :
creole@guetali.fr et V. Joel : jvimb@guetali.fr


Télécharger le document Word 97 sur les parties suivantes :
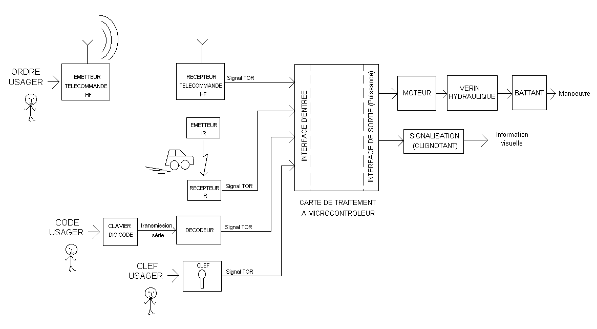
- Description fonctionnelle globale + schéma fonctionnel + Explication du fonctionnement du moteur asynchrone monophasé + schéma champ tournant

Schémas (format GIF) utilisés dans le document word ci-dessus :
Schéma fonctionnel global
Schéma de mise en évidence du champ tournant du moteur asynchrone
Schéma structurel partiel de la partie puissance

Rappel sur l'utilisation de l'explorateur : cliquez avec le bouton droit de la souris sur l'image que vous voulez enregistrer et sélectionner "enregistrer sous".