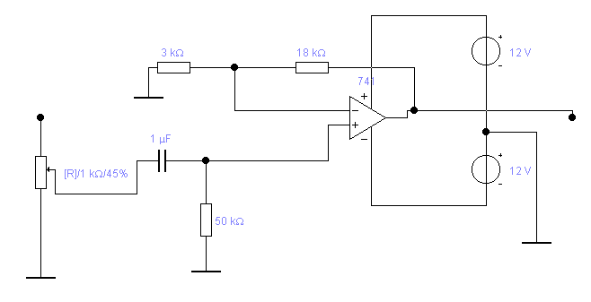
schéma montage test n°1
(partie amplifiacateur de tension)

résultat obtenu sous work bench

Nous pouvons consater une amplification de la tension d'entrée
Dans un premier temps nous avons effectuer ce premier montage sur une plaque LAB et le résultat a été positif. Afin de réaliser ce montage nous avons eu besoin des composants suivants:
-1 résistance de 3k.ohm
-1 résistance de18k.ohm
-1 résistance de 50k.ohm
-1 amplificateur opérationnel (AOP)
-1 potentiometre
-1 générateur
Principale caractéristique: l' AOP est monté en mode amplificateur.
Aprés la réalisation de ce montage, nous avons effectuer quelques test en connectant a l'ampli un micro et un tweeter ( petit haut-parleur qui ressort essentiellement les sons aigus, haute fréquence) qui ont permis d'affirmer le bon fonctionnement de l'ampli, c'est à dire d'amplifier le volume de sortie.Suite a ce test nous avons effectué quelques modification dans le but d'augmenter les perfomances de notre ampli...(voir shéma test n°2)