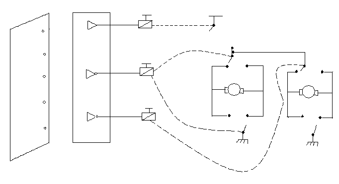
Schéma électriques
| RL3 |
| RL2 |
| RL2 |
| RL3 |
| RL2 |
| RL1 |
| 5V |
| 5V |
| CIULN 2803 |

|
OUT & H378,1: active RL1 OUT & H378, 2: active RL2 OUT & H378, 3: active RL1 + RL2 OUT & H378, 4: active RL3 |
| 5V |
| + 5V |
![]()
![]()
![]()
| 5 |
| 4 |
| 3 |
| 2 |
| 1 |
| pile 4,5 V |
| bornier |
| support relais |
| RL 3 |
| RL 2 |
| RL 1 |
| support de CI |
| fiche DB9 |

| masse |
![]()